蘭州站-蘭州NISO,NIS,NISF端吸離心泵-南方泵業-西安淮安速佩医疗器械有限责任公司

      西安淮安速佩医疗器械有限责任公司

      您暫無未讀詢盤信息!
      産品中心
      産品中心
      産品中心

      産品中心

      詳情内容
      content details

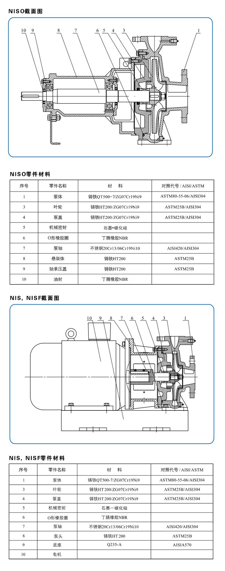
      産品名稱:NISO,NIS,NISF端吸離心泵



      技術參數                                                                                             

      流量範圍:3m³/h~1200m³/h     揚程範圍:4m~160m
      環境溫度:-15℃~+110℃
      應用範圍                                                                                           
      工業系統、供水系統、冷卻和空調系統、系統增壓、消防、噴😗淋系統



      産品說明                                                                                        
      非自吸單級卧式端吸離心泵
      軸向入口和徑向出口
      采用後拉式結構,維修無須拆除泵體及管路
      性能及優點
      運行平穩、結構穩固低噪音維修方便



      在線留言

      LEAVE A MESSAGE

      • 電    話 電 話:
      •  郵    箱 郵 箱: admin@yulehu.cc
      • 地      址 地 址: 西安市華南城B區2街7棟3号(華南城6号門第 一排秦東銀👻行東50米)
      Copyright © Copyright 西安淮安速佩医疗器械有限责任公司 版權所有   備案号:陝ICP備2020012860号-1   城市分站:  陝西  西安  甘肅   技術支持:   網站地圖 RSS XML   萬家燈火